为进一步落实国家和省、市有关要求,推进殡葬改革并落实节态葬,推动我区殡葬事业高质量发展,按照区委、区政府工作部署,结合区情实际,由区民政局组织编制了《淄博市张店区殡葬设施专项规划(2025-2035年)》(下称“该规划”)。该规划于2025年7月8日,通过政府采购选定编制团队;2025年9月25日,该规划通过部门审查和专家评审。现将规划方案主要内容予以公示,公示期为30日(2025年10月16日至11月14日止)。
一、规划范围、期限
规划范围为淄博市张店区管辖范围,包括房镇镇、马尚街道、车站街道、和平街道、公园街道、科苑街道、体育场街道、湖田街道8个镇(街道)。(注:不包含2020年4月7日后划入淄博经济开发区、淄博先进制造业创新示范区管理范围的区域。)
规划期限为2025-2035年,近期到2027年,远期到2035年。
二、规划目标
规划至2035年,建立覆盖城乡居民的公墓服务体系,维护逝者尊严,实现逝者安息、生者安心。强化公墓公益属性,为群众提供绿色文明殡葬服务,实现公益性安葬的全覆盖;引导节地生态葬,实现公墓节地生态葬达60%以上。
三、规划布局
殡仪馆:规划殡仪馆为现状保留,根据规划期内全市年度最大火化量测算参考国家和山东省标准规范,在现有殡仪馆基础上完善设施,满足需求。通过现有殡仪馆原址改建和技术升级改造的方式满足火化需求,推进设施布局优化和功能提升,按需增加配套设施,提升绿化率,融合文化、教育等多元功能,提升服务能力和品质。
殡仪服务站:为弥补殡仪馆服务半径过大,在房镇镇东孙祠堂东侧新规划1处殡仪服务站(主要服务房镇镇和马尚街道,服务人口23.73万人),参考《殡仪服务站建设规范》(DB50/T 682-2016),按一类殡仪服务站建设。
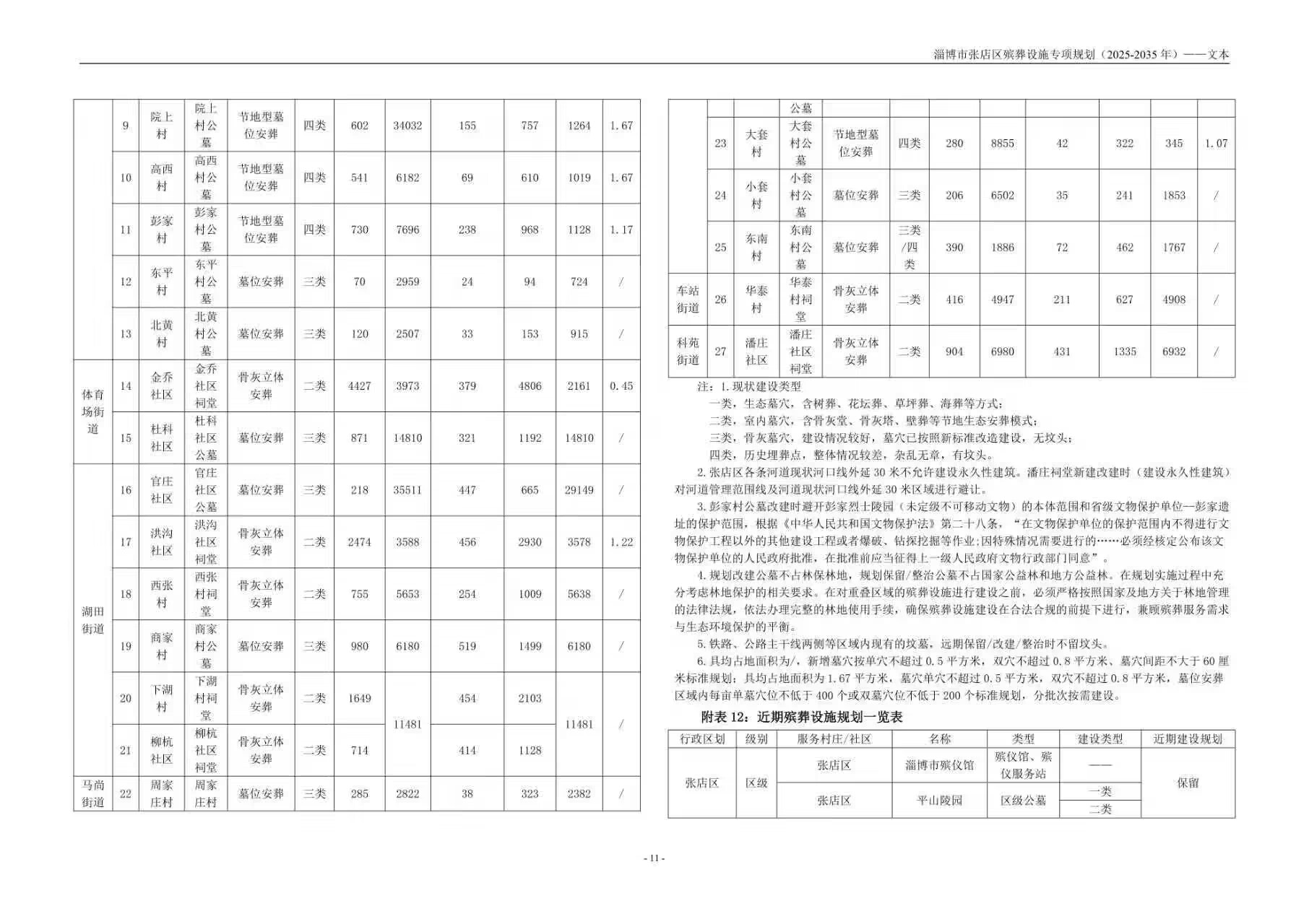
公益性公墓:依据《山东省公墓建设规划指引》(鲁民〔2024〕38号)公益性公墓采用市、县(市、区)、镇、村四级模式。规划范围内无市级公益性公墓,本次规划按照“区级—镇级—村级”三级公益性公墓配置体系,依据公墓用地符合性分析,整合现有公益性公墓,充分尊重地方意愿,统筹布局。
区级公益性公墓:保留区级公益性公墓——平山陵园,规划设计节地型墓位安葬11675穴(墓穴单穴不超过0.5平方米,双穴不超过0.8平方米,墓位安葬区域内每亩单墓穴位不低于400个或双墓穴位不低于200个标准规划,分批次按需建设),骨灰立体安葬、深埋(树葬688穴、花坛葬100余平、草坪葬400余平米)和骨灰撒散(海葬)按需建设,城市公益性公墓的墓穴安葬数量不宜高于骨灰安置总量的40%,满足张店区居民对殡葬方式的不同需求;
镇级公益性公墓:规划镇级公益性公墓1处,为改建的镇级公益性骨灰堂——东孙祠堂(在东孙祠堂和东孙村公墓原址范围内节地扩容为镇级公益性骨灰堂),格位规划总数量共计24476个,占地面积约1.27公顷;
村级公益性公墓:规划村级公益性公墓27处,其中7处为村级公益性骨灰堂,20处为村级公益性墓地(墓穴单穴不超过0.5平方米,双穴不超过0.8平方米),墓位(格位)规划总数量共计24468个,占地面积11.68公顷。
1、公墓现状分布图
2、公墓近期规划图
3、公墓远期规划图

欢迎任何单位和个人以书信、电子邮件等形式对以上公示内容提出意见和建议。为便于更好地沟通和完善管理实施办法,请在提出意见和建议时署真实姓名和联系电话,以单位名义的请加盖单位公章。
联系单位:淄博市张店区民政局社会事务科
通讯地址:淄博市张店区新村西路226号
邮政编码:255000
联系电话:(0533)2869904
电子邮箱:zdqmzj@sina.com Mzj2869950
张店区民政局
2025年10月16日













为更好满足群众对公益性公墓和绿色殡葬设施需求,依据现行的土地利用总体规划、城乡规划和辖区人口数量、风俗习惯、地理环境等因素,统筹考虑公益性公墓建设规划和绿色殡葬设施建设发展规划,计划编制张店区殡葬设施规划。
| 建议人* | 联系方式* | ||
| 意见标题* | |||
| 意见内容* | |||
| 验证码* |
|
||